Table of Contents
Washington University Experience | METABOLIC | Neuronal Ceroid Lipofuscinosis (NCL) | 10A1 NCL (Case 10) Skin EM 1 - Copy
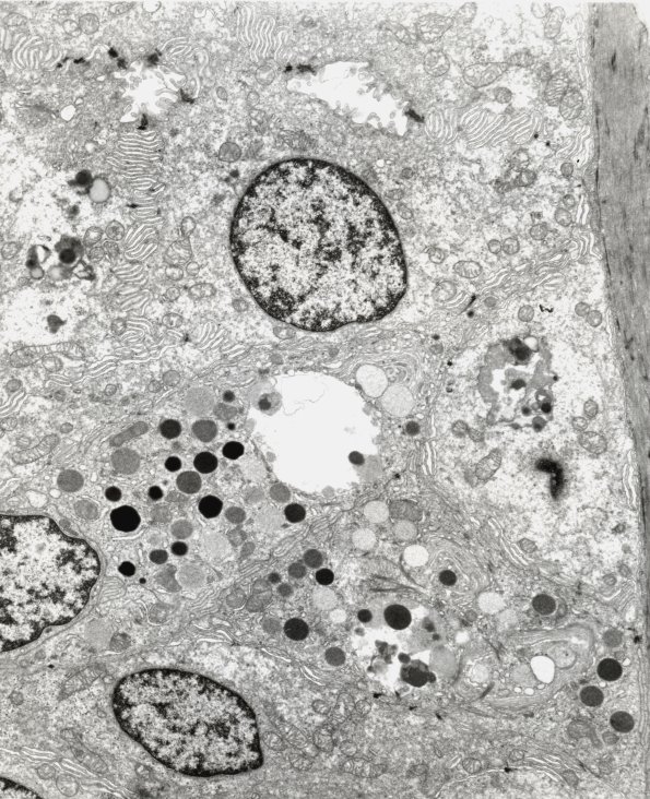
10A1-3 Ultrastructural examination of the skin biopsy shows scattered tiny nerves, small blood vessels and several apocrine and eccrine glands/ducts. In the eccrine ducts scattered large membrane enclosed cytosomes are demonstrated. The cytosomes are lysosome-like bodies containing irregular clumped osmiophilic granular materials admixed with delicate tubular material; however, classical fingerprint and curvilinear bodies are not identified. This material is essentially identical to the skin biopsy of her relative (Case 5 of this section of the atlas) which also resembles material accumulated in the CNS of another family member () whose EMs are not currently available for review. The clinical, family and histopathologic picture in this case is consistent with adult onset ceroid lipofuscinosis. This sweat gland contains a large complex lipopigment aggregate similar to other members of the family presented in a number of cases shown in this section of the atlas. (electron micrographs)
