Table of Contents
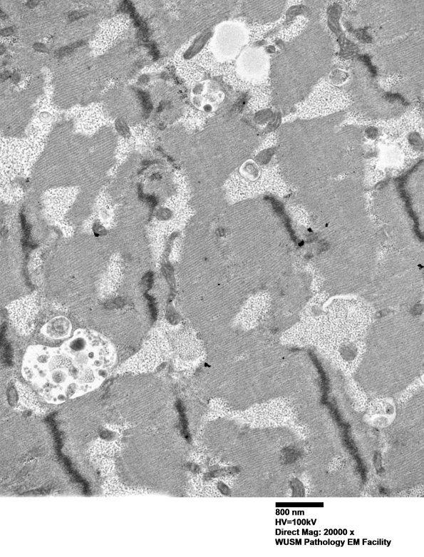
Washington University Experience | METABOLIC | Pompe Disease | 5D4 Muscle (Case 5) EM001 - Copy
5D4-6 In addition, a number of vacuoles containing autophagic cytosomes are accompanied by membrane bound glycogen. (electron micrographs)
