Table of Contents
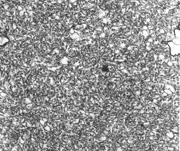
Washington University Experience | PERIPHERAL NEUROPATHY | 5 AXONAL REGENERATION | 2A8 Growth cone, rat frustrated regeneration 40,000X
Delicate tubulovesicular material is characteristic of enlarged growth cones. (electron micrograph)
